

尼科气动法兰三通球阀概述:
气动法兰三通球阀是一种三通道的回转型球阀, 用于介质分流、合流及流向切换,任何一个管道都可以作为入口或出口。气动三通球阀分有气动三通L型球阀和气动三通T型球阀两种,可以满足不同的经营工艺要求。气动三通L型球阀是对三条管道中的两条管道进行切断,气动三通T型球阀实现把三条连通管道进行合流与分流。
尼科气动法兰三通球阀参数:
阀体材质
执行器参数
公称通径:DN15-DN200
作用方式:双作用、单作用(弹簧复位)
公称压力:1.6Mpa,2.5Mpa,4.0Mpa,6.4Mpa
气源压力:双作用:3-8bar;单作用:4-8bar
适用温度:-40℃~500℃
行程范围:90°(±5)
适用介质:水、油、气、蒸汽、酸碱物
输出扭矩:双作用:3.9-10560N.m;单作用:8.5-4858N.m
阀体材质:铸铁,铸钢,不锈钢
控制方式:开关型、智能调节型
连接方式:法兰连接
附件选择:电磁阀、定位器、限位开关、三联件、手动机构
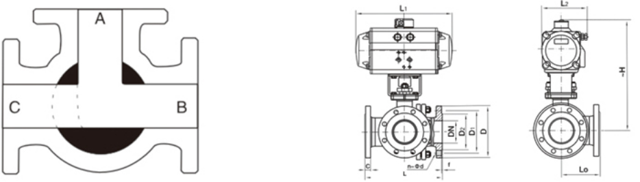
尼科气动法兰三通球阀结构:

②密封性能好:利用四面阀座材料聚四氟乙烯弹性变形实现无泄漏密封。
③一阀多用:任一通口可用作入口而无泄漏,三通既可制成L型通口,也可制成T型通口。
④维修方便:在系统卸压后,无需拆下整个阀体就可进行检查和维修。
⑤适用于供水、石化、冶金、矿山、轻纺、能源、造纸、食品、钢铁等管路系统中对介质流向进行切换以及对介质的分流或混合流体。
尼科气动法兰三通球阀尺寸:

注:此外形尺寸为1.6Mpa压力球阀,如需更高压力尺寸图纸,敬请来电来函咨询。
主要连接外形和尺寸
单位:mm
DN
15
20
25
32
40
50
65
80
100
125
150
200
L
150
160
180
200
220
240
260
280
320
380
440
550
H
204/235
240/252
257/265
277/312
292/317
325/347
357/389
36/400
410/498
470/538
556/591
648/68



