

尼科电动一体式高温球阀概述:
电动一体式高温球阀阀体设计采用国际流行的一体式结构,比二瓣式球阀中部减少泄漏点。阀杆采用倒装双密封,完全避免泄漏。阀杆处密封填料、调整垫,均采用回弹性强、耐温、耐磨,耐压、耐腐蚀、自润滑性能良好、无毒型高新复合材料。导热油球阀可替代闸阀、排污阀、柱塞阀、截止阀使用,便于原管道阀门的更换安装。
尼科电动一体式高温球阀参数:
尼科电动一体式高温球阀结构:
阀体材质
执行器参数
公称通径:DN15-DN200
传动方式:电动(带手动)
公称压力:1.6Mpa,2.5Mpa
控制电源:110/220V AC;50/60Hz
适用温度:-40℃~425℃
动作时间:10s;30s;45s;135s
适用介质:水、蒸汽、酸碱物、导热油
防护等级:IP65;IP67可定制IP68
阀体材质:铸铁,铸钢,不锈钢
保护装置:内置过热保护、过载保护
连接方式:法兰连接
控制方式:开关型、无源触点信号、开度信号、智能型
②阀体内通道平整光滑,畅通无阻地输送粘性流体,浆液以及固体颗粒等介质;
③适用工作温度350度左右,是导热油专用阀门,广泛应用于石油,化工,制药电力,食品等行业。
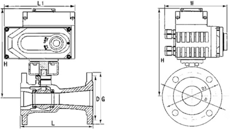
尼科电动一体式高温球阀尺寸:

注:此外形尺寸为1.6Mpa压力球阀,如需更高压力尺寸图纸,敬请来电来函咨询。
主要连接外形和尺寸
单位:mm
通径
L
L1
W
H
D
D1
15
130
119
110
256
95
65
20
150
155
132
260
105
75
25
160
155
132
266
115
86
32
180
155
132
270
136
100
40
200
208
165
312
146
110
50
230
208
165
325
160
125
65
290
208
165
336
180
145
80
310
256
211
365
195
160
100
350
256
211
400
215/230
180/190
125
400
256
211
420
245/270
210/220
150
480
288
235
440
280/300
240/250
200
600
288
235
470
335/360
295/310



