

尼科软密封明杆弹性座封闸阀概述:
尼科Z41X,RRHX软密封明杆弹性座封闸阀阀杆螺母与闸板两体结构,无卡阻现象发生;直通道,无泄留凹腔;阀杆密封采用"O"形密封圈。有优秀的防腐性能,壳体内,外表面喷涂环氧树脂,需要时内表面衬搪瓷;连接螺栓采用内六角螺栓,顶部胶封。可靠的卫生性环氧树脂符合卫生标准GB/T17219-1998,闸板整体包覆符合卫生检验的橡胶;阀杆、阀杆螺母等零件采用不受水腐蚀的不锈钢或青铜等到材料。适用饮用水、给排水、污水处理、天然气与煤气、工业以及食品等行业。
尼科软密封明杆弹性座封闸阀参数:
公称通径:DN40-DN1200
公称压力:1.6Mpa-2.5Mpa
适用温度:≤80℃
适用介质:水、油品、污水、海水
阀体材质:铸铁、球墨铸铁、铸钢、碳钢、不锈钢
连接方式:法兰连接
尼科软密封明杆弹性座封闸阀特性:
①球铁精铸壳体:阀体和阀盖材质为球墨铸铁,强度高耐腐蚀,阀座与阀体整体精密铸造成形;
②全径平底流道:阀门全开时闸板完全升离流道,阀座底部无凹槽,不易堆积杂物,与直管道等同,流阻较低;
③全部包胶闸板:高性能橡胶将骨架全部包裹,铸铁彻底与介质隔离,无腐蚀,橡胶软密封,与骨架牢固粘结,整体热硫化成形;
④整体式铜螺母:闸板螺母与骨架整体连接,无运动空行程及送脱现象;
⑤闸板导轨系统:阀体与闸板间带导轨系统。闸板密封时承载水压布偏移,升降时橡胶无接触磨损,防止阀杆弯曲;
⑥不锈钢阀杆:不锈钢耐腐阀杆,梯形螺纹滚压加工,螺牙光滑耐磨,有效降低操作扭矩,提高使用寿命;
⑦双之推轴承(暗杆型DN≤300):阀杆颈部带双之推轴承,倒装式阀杆避免被水压冲出;
⑧阀杆轴向密封(暗杆型):三道O形密封圈,水压作用下轴向自密封,无填料密封调节之烦恼,顶部档压圈,阻止外部杂质进入轴封内部。
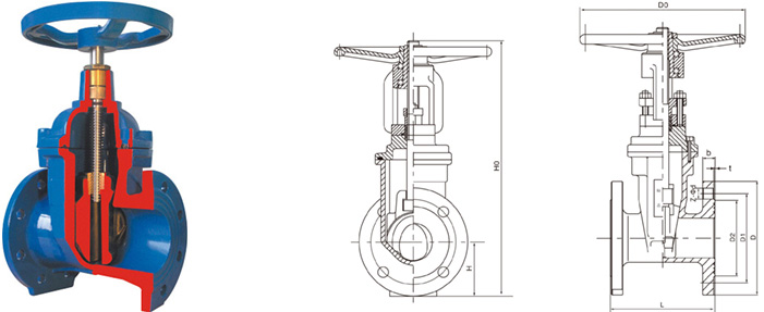
尼科软密封明杆弹性座封闸阀尺寸:

主要连接外形和尺寸 单位:mm
通径
40
50
65
80
100
125
150
200
250
300
350
400
450
500
L
165
178
190
203
229
254
267
292
330
356
381
406
432
457
H
75
83
93
100
110
125
143
170
198
223
253
283
308
335
尼科弹性座封闸阀,采用新颖的结构设计、严格的制造技术和高性能的新型材料,克服了传统闸阀密封不良、内件特别是闸板易锈蚀、橡胶弹性疲乏易老化等缺陷,密封性能可靠,操作轻快,维护简单便利,使用寿命长。适用于生活用水系统、给排水系统、污水处理系统、化工流体输送系统等,在建筑、城市环保、石化、医药、食品、冶金、纺织、电力等行业的流体管线上作为截断装置使用。



