当前位置: 首页 > 产品展示 > 通用阀门 > 尼科蝶阀
产品展示


尼科蓄能罐式重锤液控缓闭止回蝶阀
详情信息
尼科NIKO(中国)办事处-江苏尼科阀业有限公司提供【蓄能罐式重锤液控缓闭止回蝶阀】标准、图纸、原理、参数、认证、说明书。质量可靠,价格合理,售后优质。我们拥有专业的生产技术图纸和完整的技术服务方案,为用户提供一站式的系统解决方案。
尼科蓄能罐式液控缓闭止回蝶阀概述:
尼科蓄能罐式液控缓闭止回蝶阀兼有闸阀和止回阀的功能,是一种能按预先调定的程序,分两阶段(先快关一定角度,再慢速关闭剩余角度)关闭的动作来消除水锥对管网破坏的理想控制设备。
本阀具有较完善的液压系统和电气控制系统,即可现场操作,也可远距离操作,本阀的控制系统采用蓄能罐取代了目前国内同行厂家生产的重锤,将重锤势能变为流体蓄能,不仅节省了长期运行支承重锤所耗的能量,改善了液压系统的保压性能,避免了运行时维护人员的人身伤亡事故和精神上的不安全感和恐惧感,其控制机构勾思新颖,设计合理,体积小,重量轻,结构简单,功能齐全,动作灵活可靠,外形美观,节能节材,维修方便,且维修时不需要停止水泵工作等,能简便地实现泵阀联锁程序控制及微机集中控制,停电时,摇动手动油泵即可关闭。阀门开闭,动作十分方便。
尼科蓄能罐式液控缓闭止回蝶阀参数:
公称通径:DN200-DN2600
公称压力:1.0Mpa-2.5Mpa
适用温度:软密封:≤80℃;硬密封:≤425℃
适用介质:水、气、油
阀体材质:铸铁、铸钢、碳钢
连接方式:法兰连接
制造标准:JB/T5299-1998
结构长度:GB/T12221-1989
连接法兰:JB/T79-1994、GB/T9113-1988
阀门试验:GB/T13927-1992
项目 可调范围 出厂调节
开阀时间(可调) 20~60秒 30秒
关阀时间(可调) 快关 2.5~25秒 8秒
慢关 6~9秒 20秒
关阀角度(可调) 快关 70±10度 60度
慢关 20±10度±10度 30度
尼科蓄能罐式液控缓闭止回蝶阀特性:
①能按程序启闭;在正常供电和突然断电情况下均能自动按预定的时间和角度分快、慢二阶段关闭;调节范围大、适应性强。
②可消除破坏性水锤、防止水泵和水轮机组发生飞逸事故,有效地降低了网管系统的压力波动,保障设备的安全可靠运行。
③该阀可取代水泵出口原电动闸阀和止回阀的功能,减少占地面积及基建投资。同时其流阻系数仅为0.1~0.6,远小于止回阀的流阻系数(1.7~2.6),节能效果明显。
④本厂S(锁定型)、B(保压型)、X(蓄能器型)三种类型的液控止回蝶阀产品均以不同方式解决了国内同类产品在运行过程中重锤下掉的缺点,大大增强了系统的可靠性和安全性。
尼科蓄能罐式液控缓闭止回蝶阀适用于介质为水的泵出口管路上,用来避免和减少管路系统中介质繁荣倒流及产生过大的水锤,以保护管路系统,其功能事以一阀代两阀(传统的管路设计中以闸阀配止回阀或以普通蝶阀配止回阀)。
尼科蓄能罐式液控缓闭止回蝶阀概述:
尼科蓄能罐式液控缓闭止回蝶阀兼有闸阀和止回阀的功能,是一种能按预先调定的程序,分两阶段(先快关一定角度,再慢速关闭剩余角度)关闭的动作来消除水锥对管网破坏的理想控制设备。
本阀具有较完善的液压系统和电气控制系统,即可现场操作,也可远距离操作,本阀的控制系统采用蓄能罐取代了目前国内同行厂家生产的重锤,将重锤势能变为流体蓄能,不仅节省了长期运行支承重锤所耗的能量,改善了液压系统的保压性能,避免了运行时维护人员的人身伤亡事故和精神上的不安全感和恐惧感,其控制机构勾思新颖,设计合理,体积小,重量轻,结构简单,功能齐全,动作灵活可靠,外形美观,节能节材,维修方便,且维修时不需要停止水泵工作等,能简便地实现泵阀联锁程序控制及微机集中控制,停电时,摇动手动油泵即可关闭。阀门开闭,动作十分方便。
尼科蓄能罐式液控缓闭止回蝶阀参数:
公称通径:DN200-DN2600
公称压力:1.0Mpa-2.5Mpa
适用温度:软密封:≤80℃;硬密封:≤425℃
适用介质:水、气、油
阀体材质:铸铁、铸钢、碳钢
连接方式:法兰连接
制造标准:JB/T5299-1998
结构长度:GB/T12221-1989
连接法兰:JB/T79-1994、GB/T9113-1988
阀门试验:GB/T13927-1992
项目 可调范围 出厂调节
开阀时间(可调) 20~60秒 30秒
关阀时间(可调) 快关 2.5~25秒 8秒
慢关 6~9秒 20秒
关阀角度(可调) 快关 70±10度 60度
慢关 20±10度±10度 30度
尼科蓄能罐式液控缓闭止回蝶阀特性:
①能按程序启闭;在正常供电和突然断电情况下均能自动按预定的时间和角度分快、慢二阶段关闭;调节范围大、适应性强。
②可消除破坏性水锤、防止水泵和水轮机组发生飞逸事故,有效地降低了网管系统的压力波动,保障设备的安全可靠运行。
③该阀可取代水泵出口原电动闸阀和止回阀的功能,减少占地面积及基建投资。同时其流阻系数仅为0.1~0.6,远小于止回阀的流阻系数(1.7~2.6),节能效果明显。
④本厂S(锁定型)、B(保压型)、X(蓄能器型)三种类型的液控止回蝶阀产品均以不同方式解决了国内同类产品在运行过程中重锤下掉的缺点,大大增强了系统的可靠性和安全性。
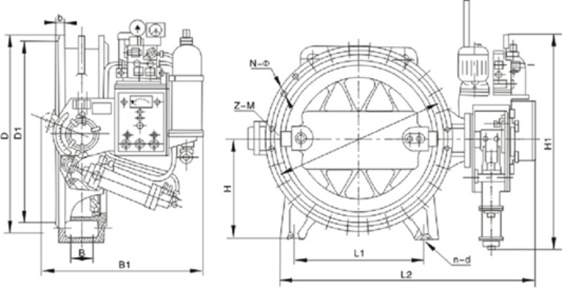
尼科蓄能罐式液控缓闭止回蝶阀尺寸:

主要连接外形和尺寸 单位:mm
通径
500
600
700
800
900
100
L
350
390
430
470
510
550
尼科蓄能罐式液控缓闭止回蝶阀适用于介质为水的泵出口管路上,用来避免和减少管路系统中介质繁荣倒流及产生过大的水锤,以保护管路系统,其功能事以一阀代两阀(传统的管路设计中以闸阀配止回阀或以普通蝶阀配止回阀)。



