

尼科蜗轮双偏心高性能蝶阀概述:
尼科GD371H蜗轮高性能蝶阀浮动式阀座应用材料领域较先进的复合材料成果,由号称塑料网的聚四氟乙烯和高回弹性能的硅橡胶复合而成。阀座适用于低温-100℃至200℃的工作温度,配合不同的阀体材质能适用于水、气体、油品等常用介质和食品、医药等工业的纯净介质,以及化工领域的强腐蚀性介质,是名副其实的高性能。
高性能蝶阀连接方式可采用对夹式或用于大管径及管路终端的凸耳式单法兰设计。除了按ASME B16.5、B16.47标准外,还可按用户要求,用于DIN标准、JIS标准和国标等连接尺寸。
蝶阀的启闭件是一个圆盘形的蝶板,在阀体内绕其自身的轴线旋转,从而达到启闭或调节的目的。蝶阀的优点有结构简单、体积小、重量轻、安装尺寸小、开关迅速。
尼科蜗轮双偏心高性能蝶阀参数:
公称通径:DN50-DN1200(2"~48")
公称压力:1.0Mpa-6.4Mpa(150LB~300LB)
适用温度:-50℃~450℃
适用介质:水、蒸汽、油品、腐蚀性介质
阀体材质:碳钢、铸钢、不锈钢
连接方式:对夹连接
设计制造:ASME B16.5;B16.47
尼科蜗轮双偏心高性能蝶阀特性:
①使用独特的动载密封PTFE阀座设计,弹性好,可靠性高;
②无需增加O型圈或金属部件来保持密封;
③唇缘式密封结构可补偿温度和压力的变化;
④使用寿命长,维修量小;
⑤密封试验,双向达到无气泡泄漏;
⑥耐火/防火阀座,防火型蝶阀设计遵照API607标准。
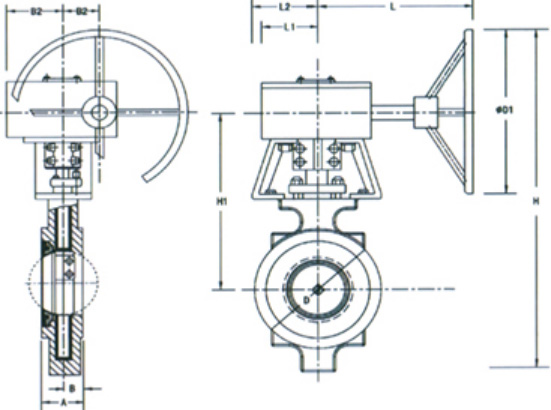
尼科蜗轮双偏心高性能蝶阀尺寸:

主要连接外形和尺寸 单位:mm
通径
50
65
80
100
125
150
200
250
300
350
400
450
500
600
A
43
49
49
54
64
57
64
71
81
92
102
114
127
154
H
438
480
504
526
629
709
824
890
1050
1084
1140
1291
1667
尼科高性能蝶阀是我司运用先进技术,解决了通用阀门难以适应的高低温、高压、真空等工况而开发的产品。该阀具有独特的自密封和双偏心结构,可作快速切断或调节流量之用。



