

尼科法兰气动蝶阀概述:
尼科D641X气动蝶阀亦属中线软密封蝶阀,是管线优先选用的常规蝶阀,具有结构简洁,流阻系数小,流量特性趋于直线,不会滞留杂物。且重量轻,安装方便,驱动扭矩较小的优点。气动软密封蝶阀既可作切断介质用,又可作调节介质的流量用。阀体密封圈分丁晴橡胶、四氟橡胶,泄露量可达零。选用不同材料的零件,配用不同材料的密封圈,可适应不同的介质、工况,使成本与性能达到较佳效果。
尼科法兰气动蝶阀参数:
公称通径:DN40-DN1200
公称压力:1.0Mpa-1.6Mpa
适用温度:-20℃~120℃
适用介质:水、气、油
阀体材质:铸铁、球墨铸铁、铸钢、不锈钢
连接方式:法兰连接
尼科法兰气动蝶阀特性:
①密封阀座水线条设计,阀板密封面平面设计,彻底避免气动阀因长时间不开而造成的卡位现象;
②阀板上下中孔处,采用球型摩擦面设计,扭矩更小,密封性更好;
③阀座无靠背设计,扭矩更轻,也方便用户自行更换阀座;
④法兰对夹孔连接适用多种标准。
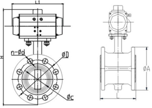
尼科法兰气动蝶阀尺寸:

主要连接外形和尺寸 单位:mm
通径
50
65
80
100
125
150
200
250
300
350
L
109
112
114
128
141
141
155
166
180
190
H
300
329
366
455
506
570
739
841
1007
1287
尼科D641X法兰气动蝶阀通常由气动执行器和蝶阀整体通过机械连接,经过安装调试后共同组成。法兰蝶阀是阀门上带有法兰,用螺栓将阀门上两端法兰连接在管道法兰上。



