

尼科法兰电动蝶阀概述:
尼科电动蝶阀是工业管道中应用较为常用的阀门品种之一。蝶阀体积小、用料少、重量轻、口径越大相对其他阀更经济实惠。气动执行器旋转90°即可快速启闭,操作简单。同时该阀门具有良好的流体控制特性。蝶阀处于完全开启位置时,蝶板厚度是介质流经阀体时唯一的阻力,因此通过该阀门所产生的压力降很小,当开启度在大约15°至70°之间时,又能进行灵敏的流量控制,因此大口径的流量调节,蝶阀具有较大的优势。不适用于有颗粒和温度偏高的工艺介质中。
蝶阀的启闭件是一个圆盘形的蝶板,在阀体内绕其自身的轴线旋转,从而达到启闭或调节的目的。蝶阀的优点有结构简单、体积小、重量轻、安装尺寸小、开关迅速。
尼科法兰电动蝶阀参数:
阀体材质 执行器参数
公称通径:DN40-DN1200 传动方式:电动(带手动)
公称压力:1.0Mpa-1.6Mpa 控制电源:110/220V AC;50/60Hz
适用温度:-20℃~120℃ 动作时间:10s;30s;45s;135s
适用介质:水、气、油 防护等级:IP65;IP67可定制IP68
阀体材质:铸铁、球墨铸铁、铸钢、不锈钢 保护装置:内置过热保护、过载保护
连接方式:法兰连接 控制方式:开关型、无源触点信号、开度信号、智能型
尼科法兰电动蝶阀特性:
①密封阀座水线条设计,阀板密封面平面设计,彻底避免气动阀因长时间不开而造成的卡位现象;
②阀板上下中孔处,采用球型摩擦面设计,扭矩更小,密封性更好;
③阀座无靠背设计,扭矩更轻,也方便用户自行更换阀座;
④法兰对夹孔连接适用多种标准。
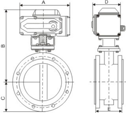
尼科法兰电动蝶阀尺寸:

主要连接外形和尺寸 单位:mm
通径
40
50
60
80
100
125
150
200
250
300
350
400
450
500
E
108
108
112
114
127
140
140
152
165
178
190
216
222
229
尼科D941X法兰电动蝶阀通常由角行程电动执行机构(0~90°部分回转)和蝶阀整体通过机械连接,经过安装调试后共同组成。法兰蝶阀是阀门上带有法兰,用螺栓将阀门上两端法兰连接在管道法兰上。



