

尼科电动高真空蝶阀概述:
尼科高真空蝶阀是利用电动装置驱动阀板做开启或关闭动作,达到接通或切断真空管路中气流的目的一种装置。它适用的介质为空气及非腐蚀性气体。广泛应用于真空获得设备、新能源及半导体产业。
电动真空蝶阀GID采用回转型电动,电子调节式阀门驱动装置驱动阀杆与阀板执行启闭动作。可以通过外接电源的切换(用手动转位开关或电脑控制)或外部输入信号,来实现阀门开,关或中间位置的控制,从而达到接通或切断真空管路中气流的目的阀体的阀板采用夹紧结构,把阀板的密封圈夹紧,除了能用在真空状态下,也能用在低压状态下使用。高真空电动蝶阀用于接通或切断真空管路中的气流。
尼科电动高真空蝶阀参数:
阀体材质 执行器参数
公称通径:DN32-DN800 传动方式:电动(带手动)
阀门漏率:≤1.3×10(-四次方)Pa.L/S 控制电源:110/220V AC;50/60Hz
适用范围:10(五次方)~1.3×10(-四次方)Pa 动作时间:10s;30s;45s;135s
适用介质:纯净空气,非腐蚀性气体 防护等级:IP65;IP67可定制IP68
阀体材质:碳钢、铸钢、不锈钢 保护装置:内置过热保护、过载保护
连接标准:JB/T919;GB/T6070 控制方式:开关型、无源触点信号、开度信号、智能型
尼科电动高真空蝶阀特性:
①阀门能承受正压力;
②阀杆上下不窜动。
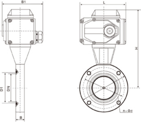
尼科电动高真空蝶阀尺寸:

主要连接外形和尺寸 单位:mm
通径
32
40
50
63
80
100
125
150
200
250
320
400
500
600
800
B
70
80
90
110
125
145
175
200
260
310
395
480
580
720
890
注:此外形尺寸为1.6Mpa压力蝶阀,如需更高压力尺寸图纸,敬请来电来函咨询。
尼科GID电动真空蝶阀是利用电动装置驱动阀板做开启或关闭动作,达到接通或切断真空管路中气流的目的一种装置,它适用的介质为空气及非腐蚀性气体,广泛应用于真空获得设备、新能源及半导体产业。阀门漏率:≤1.3×10-5Pa.L/S。


