

尼科法兰保温止回阀概述:
尼科BH44W法兰保温止回阀采用夹套保温设计,夹套采用碳素钢管焊接比铸造的更加耐压牢固,具有良好的保温保冷特性,且能有效降低管路中介质热量损失。主要用于石油、化工、沥青、冶金、制药、食品等各类系统中,防止以输送常规下会凝固的高粘度介质回流。保温止回阀的两端法兰之间焊装一个金属夹套,在止回阀的侧面、底部装有夹套的连接口,用于蒸汽或导热油的进出,从而起到对止回阀的保温效果,确保粘稠介质流通正常,主要作用是输送在常温状态下会凝固、易结晶的介质。
止回阀的启闭件靠介质流动和力量自行开启或关闭,以防止介质倒流。止回阀一般分为升降式、旋启式、蝶式及卧式等四种类型,通式升降式止回阀应安装于水平管路上,立式升降式止回阀和底阀一般安装在垂直管路上,并且介质自下而上流动,旋启式止回阀安装位置不受限制,通常安装于水平管路,但也可以安装于垂直管路或倾料管路上。注意:止回阀只允许介质向一个方向流动,应特别注意介质流动方向,应使介质正常流动方向与阀体上指示的箭头方向相一致,否则就会截断介质的正常流动。
尼科法兰保温止回阀参数:
公称通径:DN15-DN300
公称压力:1.6Mpa-6.4Mpa
适用温度:-20℃~425℃
适用介质:水、油品、蒸汽
阀体材质:铸钢、碳钢
连接方式:法兰连接
设计制造:GB/T12235;GB/T12236;API6D
结构长度:GB/T12221-2005;ASME B16.10
法兰标准:GB/T 9113
压力温度:GB/T 12224-2005
试验标准:GB/T 13927-2008;JG/T9092;API598
尼科法兰保温止回阀特性:
①结构简单,维护方便;
②用于石油、化工、沥青、冶金、制药、食品等各类系统中,防止以输送常规下会凝固的高粘度介质回流。
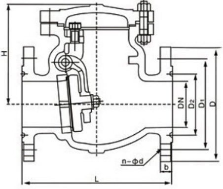
尼科法兰保温止回阀尺寸:

主要连接外形和尺寸 单位:mm
通径
15
20
25
32
40
50
65
80
100
125
150
200
250
300
L
130
150
160
180
200
230
290
310
350
400
480
600
650
750
尼科保温止回阀主要用于石油、化工、冶金、只要等各类系统中,以输送常温下会凝固的高粘度介质。



