当前位置: 首页 > 产品展示 > 通用阀门 > 尼科止回阀
产品展示


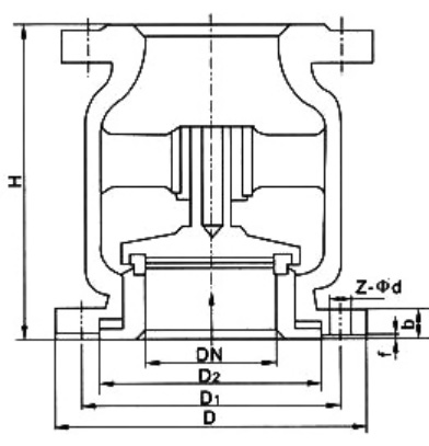
尼科不锈钢法兰立式止回阀
详情信息
尼科NIKO(中国)办事处-江苏尼科阀业有限公司提供【不锈钢法兰立式止回阀】标准、图纸、原理、参数、认证、说明书。质量可靠,价格合理,售后优质。我们拥有专业的生产技术图纸和完整的技术服务方案,为用户提供一站式的系统解决方案。
尼科不锈钢立式止回阀概述:
尼科H42W不锈钢立式止回阀由于管线中尼科端介质的压力作用,而克服弹簧阻力使阀门开启或关闭;当尼科端介质压力低于出口端时,弹簧将阀芯推向阀座而使阀门关闭,阻止介质逆流,故起止回作用。立式止回阀广泛使用于化工、液化石油气、流体等行业。
止回阀的启闭件靠介质流动和力量自行开启或关闭,以防止介质倒流。止回阀一般分为升降式、旋启式、蝶式及卧式等四种类型,通式升降式止回阀应安装于水平管路上,立式升降式止回阀和底阀一般安装在垂直管路上,并且介质自下而上流动,旋启式止回阀安装位置不受限制,通常安装于水平管路,但也可以安装于垂直管路或倾料管路上。注意:止回阀只允许介质向一个方向流动,应特别注意介质流动方向,应使介质正常流动方向与阀体上指示的箭头方向相一致,否则就会截断介质的正常流动。
尼科不锈钢立式止回阀参数:
公称通径:DN15-DN600
公称压力:1.6Mpa-6.4Mpa
适用温度:-30℃~425℃
适用介质:水、油品、蒸汽
阀体材质:不锈钢
连接方式:法兰连接
设计规范:GB/T 12235;BS 1868
结构长度:GB/T 12221;ASME B16.10
法兰连接:GB/T 9113;ASME B16.5
试验检验:GB/T 13927;API 598;API 6D
尼科不锈钢立式止回阀特性:
①密封副配对先进合理,阀瓣、阀座密封面采用铁基合金或司太立(Stellite)钴基硬质合金堆焊面成,耐磨、耐高温、耐腐蚀、抗擦伤性能好,使用寿命长;
②可采用各种配管法兰标准及法兰密封型式,满足各种工程需要及用户要求;
③阀体材料品种齐全,垫片可根据实际工况或用户要求合理选配,能适用于各种压力、温度及介质工况。
尼科立式止回阀是指依靠介质本身流动而自动开、闭阀瓣,用来防止介质倒流的阀门,又称逆止阀、单向阀、逆流阀、和背压阀。止回阀属于一种自动阀门,其主要作用是防止介质倒流、防止泵及驱动电动机反转,以及容器介质的泄放。
尼科不锈钢立式止回阀概述:
尼科H42W不锈钢立式止回阀由于管线中尼科端介质的压力作用,而克服弹簧阻力使阀门开启或关闭;当尼科端介质压力低于出口端时,弹簧将阀芯推向阀座而使阀门关闭,阻止介质逆流,故起止回作用。立式止回阀广泛使用于化工、液化石油气、流体等行业。
止回阀的启闭件靠介质流动和力量自行开启或关闭,以防止介质倒流。止回阀一般分为升降式、旋启式、蝶式及卧式等四种类型,通式升降式止回阀应安装于水平管路上,立式升降式止回阀和底阀一般安装在垂直管路上,并且介质自下而上流动,旋启式止回阀安装位置不受限制,通常安装于水平管路,但也可以安装于垂直管路或倾料管路上。注意:止回阀只允许介质向一个方向流动,应特别注意介质流动方向,应使介质正常流动方向与阀体上指示的箭头方向相一致,否则就会截断介质的正常流动。
尼科不锈钢立式止回阀参数:
公称通径:DN15-DN600
公称压力:1.6Mpa-6.4Mpa
适用温度:-30℃~425℃
适用介质:水、油品、蒸汽
阀体材质:不锈钢
连接方式:法兰连接
设计规范:GB/T 12235;BS 1868
结构长度:GB/T 12221;ASME B16.10
法兰连接:GB/T 9113;ASME B16.5
试验检验:GB/T 13927;API 598;API 6D
尼科不锈钢立式止回阀特性:
①密封副配对先进合理,阀瓣、阀座密封面采用铁基合金或司太立(Stellite)钴基硬质合金堆焊面成,耐磨、耐高温、耐腐蚀、抗擦伤性能好,使用寿命长;
②可采用各种配管法兰标准及法兰密封型式,满足各种工程需要及用户要求;
③阀体材料品种齐全,垫片可根据实际工况或用户要求合理选配,能适用于各种压力、温度及介质工况。
尼科不锈钢立式止回阀尺寸:

主要连接外形和尺寸 单位:mm
通径
15
20
25
32
40
50
65
80
100
125
150
200
H
105
105
105
150
160
170
180
200
210
275
300
380
尼科立式止回阀是指依靠介质本身流动而自动开、闭阀瓣,用来防止介质倒流的阀门,又称逆止阀、单向阀、逆流阀、和背压阀。止回阀属于一种自动阀门,其主要作用是防止介质倒流、防止泵及驱动电动机反转,以及容器介质的泄放。



